衬氟蝶阀是一种利用圆盘式启闭件前后旋转约90度来开启、关闭和调节流体通道的阀门。衬氟蝶阀不仅结构简单、体积小、重量轻、节省材料、安装尺寸小,而且驱动扭矩小、操作简单快捷。
安装在高空隧道内,在两位五通电磁阀的控制下操作方便,还可以调节流动介质。流体阻力小,中大口径气动碟阀全开时有效流通面积大,启闭快捷省力,旋转90度即可启闭。全氟衬里蝶阀进一步提高了蝶阀的性能,使蝶阀的温度和压力范围更宽,密封性能更长,使用寿命更长。而且还能同时具有良好的流量节流功能和关闭密封特性,是近十年来发展最快的阀门品种之一。

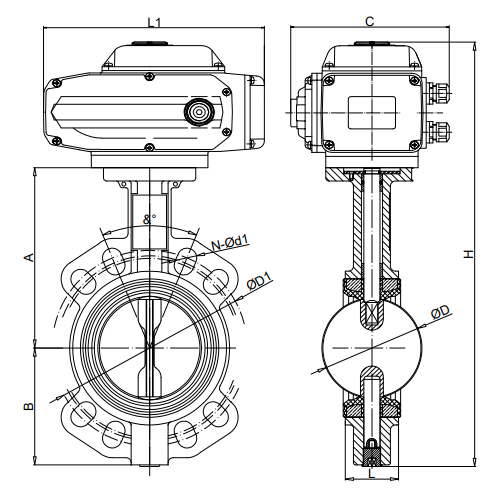
国标PN10PN16外型尺寸表:
美标150LB日标10K外型尺寸表:













