手动平衡阀
平衡阀是具有特殊功能的阀门,可以合理分配流量,调节流量,有效解决供暖(空调)冷却系统的室温不平衡问题。由于该阀门有开放度标记、开放度锁和流量测量用的小阀门,因此只需在各个季度和用户入口安装适当规格的平衡阀,用专用智能仪表一次性调试后锁定,系统的总数量就能控制在合理的冷却范围内,克服“大流量、小温差”的不合理现象。这个产品是供暖系统的理想产品
性能规格
公称压力PN(MPa)
| 1.6
|
适用温度℃ | ≤100 |
适用介质 | 水 |
主要零部件材料
零件名称
| 材料
|
阀体、阀盖 | 铸铁、铸钢 |
阀杆 | 不锈钢 |
阀杆螺母 | 铜合金 |
密封圈 | 橡胶 |
填料 | 膨胀石墨 |

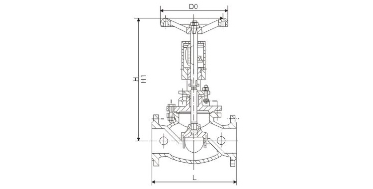
主要尺寸表和重量
DN(mm) | 15 | 20 | 25 | 32 | 40 | 50 | 65 | 80 | 100 | 125 | 150 | 200 | 250 | 300 | 350 |
L | 130 | 150 | 160 | 180 | 200 | 230 | 290 | 310 | 350 | 400 | 480 | 495 | 622 | 689 | 787 |
H | 150 | 160 | 182 | 192 | 250 | 264 | 380 | 413 | 446 | 540 | 623 | 687 | 782 | 914 | 968 |
H1 | 160 | 170 | 197 | 207 | 270 | 284 | 410 | 448 | 506 | 595 | 688 | 762 | 867 | 1009 | 1073 |
D0 | 80 | 180 | 80 | 90 | 100 | 120 | 200 | 200 | 240 | 240 | 360 | 762 | 867 | 1009 | 1073 |
重量 | 0.6 | 0.9 | 1.3 | 2.1 | 2.7 | 8.1 | 10 | 14.5 | 20.3 | 28.5 | 46 | 62 | 110 | 180 | 230 |













