简介
超短的结构长度,节省材料,可以大大减轻管道系统的整体重量。占用的有效空间小,可以有效支撑管道的强度,降低管道振动的可能性。闸门采用奥氏体不锈钢,大大提高了耐腐蚀性,可有效防止闸门腐蚀引起的密封泄漏。配有多旋转电动装置,可使阀板直线上下移动,实现阀门开启或关闭的远程控制。直径范围:DN50~DN800,使用温度: 100。用于污水、造纸、化工、煤炭、制糖等领域,特别适用于造纸行业的调节和节流管道。
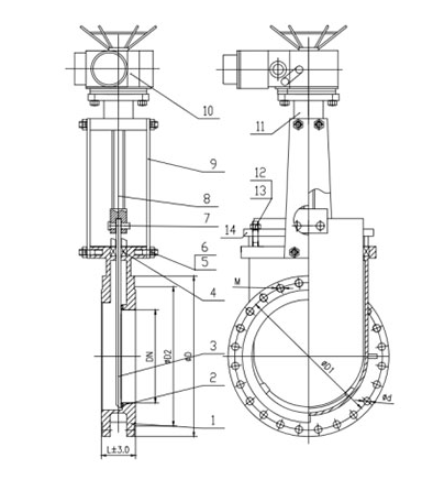
Z973X电动浆液阀主要零件材料:
阀体 | 灰铸铁 |
闸板 | 铬镍钛不锈钢 |
阀体密封圈 | 合成橡胶或聚四氟乙烯 |
阀杆 | 铬不锈钢 |
支架 | 碳素钢 |
填料 | 聚四氟乙烯 |
Z973X电动浆液阀主要外形尺寸:














